本文へスキップ

RPM-450Hは画面分割表示機能搭載のデジタル対応KVMスイッチです。

TEL. 0774-33-5282

〒611-0011 京都府宇治市五ヶ庄芝ノ東3-9

製品情報PRODUCT INFORMATION

トップページ製品一覧>パソコン切替器RPM-450H

デジタル対応 マルチ表示機能付きパソコン切替器 RPM-450H


直販価格 338,000円+税
資料  取扱説明書(PDF:3.3MB)
カスケード接続用(1画面集約)取扱説明書(PDF:1.5MB) 
カスケード接続用(多画面分散)取扱説明書(PDF:1.5MB) 

完全ハードウェア方式の画面分割表示に対応

RPM-450H はデジタル画像に対応したマルチ表示付きパソコン切替器です。
パソコンやAV 機器の画面を1 台のモニタで画面分割表示(マルチ表示)および切替選択を行うことができます。マルチ表示およびシングル表示中のどちらでも選択したチャンネルのパソコンをリモート操作することも可能です。また、RPM-450H は完全ハードウェア方式を採用し、ソフトウェアをインストールする必要もありません。


<導入事例>
1.工場内のPC集約とリアルタイム監視
2.サーバーの集約とリアルタイム監視
3.病院内のPCや機器の集約とリアルタイム監視

毎秒60フレームのリアルタイム画面更新を実現

パソコンやAV 機器からの入力画像を4 入力同時に取り込み 、すべての画面を完全リアルタイム(1 秒 60 フレーム)で表示することができます。HDCP にも対応しており、著作権保護の暗号化された映画の再生も可能です。

多彩なマルチ画面表示モード

用途により表示モードを選択することができます。
<均等分割表示>
<3-1分割表示>
<4-1分割表示>
<P in P表示>
 

入力/ 出力解像度の設定が可能

RPM-450H は設定したEDID 情報を入力機器に返す機能を備えています。入力機器のON、OFF などで出力解像度が異なってしまうなどのトラブルを回避することができます。出力画像はモニタ解像度に合わせて、FULLHD(1920×1080)やSXGA(1240×1024) など11 種類から選択することができます。4 入力それぞれが異なる解像度でも、設定された出力解像度のエリアで分割表示ができるように自動で縮小します。

入力映像のチャンネル名を表示(OSD 機能)

入力画像に表示するチャンネル名(最大8 文字)を数字、アルファベットから選択することができます。オフィスや工場の監視用途で使用する場合にパソコンやカメラの名前などで表示させておくと、一目で画像の種類を区別することができます。



専用操作ユニット(別売)で切替操作も簡単

専用操作ユニットMOU-3 はRPM-450H 本体から離れた場所でチャンネルやマルチ表示レイアウトを切換えることができる装置です。頻繁にチャンネル切替が想定される監視業務などのご利用に最適です。1つのボタンに1機能が割り当てされているので、操作も簡単で煩わしさも一切ありません。
操作ユニットMOU-3(別売)を使用すれば、ボタン1つで誰でも簡単に操作ができます。
RPM-400FHD用切替ユニットMOU-3 専用操作ユニットMOU-3

RS232C通信制御に対応

監視システムや工場ラインなどシステムへの組み込み時に外部制御でホットキー操作や本体のボタンと同じ操作が行えるようにRS232C通信用端子を設けています。
制御方法やコマンド仕様については、当社営業部(TEL:0774-33-5282)までお問い合わせください。 

RPM-450Hのカスケード接続で最大16台のPCを一括表示

RPM-450Hをカスケード接続することで、最大16台のPCをマルチ表示することができます。専用操作パネルからのチャンネル切替の切り替えにも対応し、キーボードとマウスが1セットで個別にリモート操作することでもできるので、操作卓まわりをスッキリさせることが出来ます。
カスケード接続の方法により、表示方法を変更することも可能です。
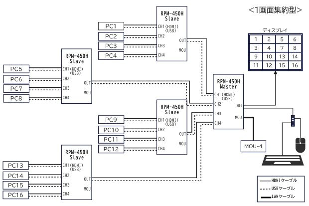
1画面集約タイプ

RPM-450Hのマスター機にRPM-450Hのスレーブ機を接続することで、最大16台のPCを1画面に集約して表示することができるため、省スペース化に効果的な接続方法です。操作パネルMOU-4でチャンネルを選択し、リモート操作を行うことができます。


<16台接続時の機器構成>
1.マルチ表示機能付きパソコン切替器 RPM-450H(マスター)×1台
2.マルチ表示機能付きパソコン切替器 RPM-450H(スレーブ)×4台
3.カスケード接続専用操作ユニット MOU-4×1台
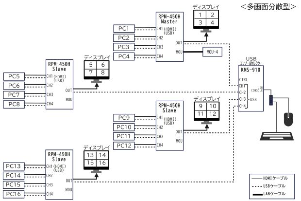
多画面分散タイプ

RPM-450Hのマスター機とRPM-450Hのスレーブ機のコンソール部をUSBコンソールセレクタKSM-910に集約させることでリモート操作を行うことができます。1台のモニタは4分割で表示されるため、大きな画面サイスで確認することが可能です。工場、公共施設、病院など監視を目的とする環境に効果的な接続方法です。 


<16台接続時の機器構成>
1.マルチ表示機能付きパソコン切替器 RPM-450H(マスター)×1台
2.マルチ表示機能付きパソコン切替器 RPM-450H(スレーブ)×3台
3.USBコンソールセレクタ KMS-910×1台
4.カスケード接続専用操作ユニット MOU-4×1台

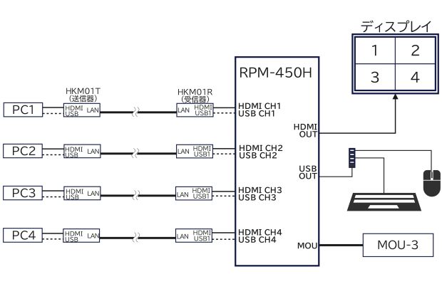
KVMエクステンダーとの接続に対応

RPM-450HとKVMエクステンダーHKM01TRを組み合わせることで離れた場所にあるPCの接続やコンソール部の延長などを行うことができます。

 カスタマイズについて

機器の仕様変更、制御プログラムの開発など、あらゆるご要望にお応え致します。
1台~量産まで御社専用製品としてご提供させて頂きます。
お問い合わせ

製品に関するご質問、カスタマイズのご相談、ご購入方法などのお問い合わせは下記で承っております。
TEL:0774-33-5282 受付時間 平日 午前9時~午後5時まで
FAX:0774-33-5297 受付時間 24時間 ※ご回答は翌日になる場合があります。
メールでお問い合わせを頂く方はこちらからお願い致します。メールでお問い合わせ


バナースペース

株式会社ラウンド

〒611-0011
京都府宇治市五ヶ庄芝ノ東3-9

TEL 0774-33-5282
FAX 0774-33-5297